TP-подъемная рым-гайка DIN582
0,16 тонн - 16 тонн
Базовая информация.
Модель №. | ТП-EN | Функция | Лифтинг,Слинг,Подъемник | |
Tтранспортный пакет | Коробка с поддоном | Спецификация | 0,14-16Т | |
Товарный знак | ТОПЛИФТ или OEM | Источник | Китай | |
Код ТН ВЭД | 73269090 |
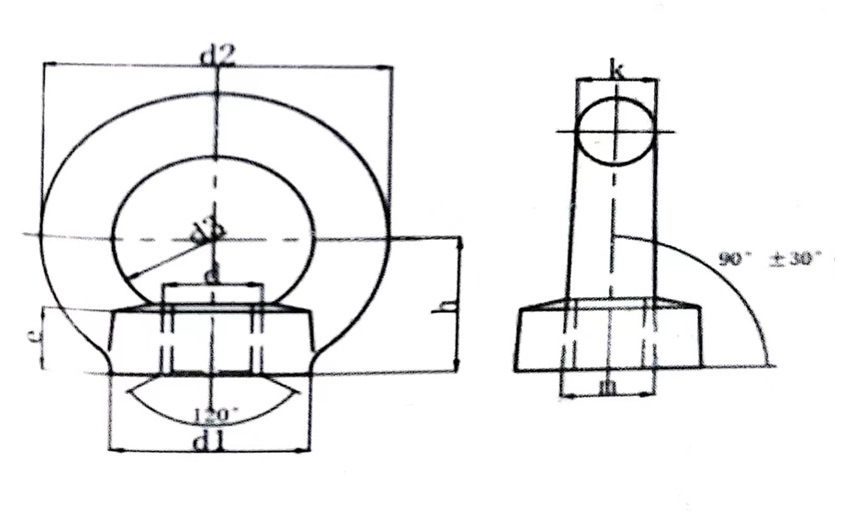
Спецификация
Модель | ВЛЛ | Измерение (мм) | Масса (фунты/100 шт.) | |||||
d1 | d2 | д3 | e | h | k | |||
ТП-ЕН-М6 | 0,14Т | 20 | 36 | 20 | 8.5 | 18 | 8 | 11 |
ТП-ЕН-М8 | 0,14Т | 20 | 36 | 20 | 8.5 | 18 | 8 | 11 |
ТП-ЕН-М10 | 0,23Т | 25 | 45 | 25 | 10 | 22 | 10 | 20 |
ТП-ЕН-М12 | 0,34Т | 30 | 54 | 30 | 11 | 26 | 12 | 35 |
ТП-ЕН-М16 | 0,7Т | 35 | 63 | 35 | 13 | 30 | 14 | 53 |
ТП-ЕН-М20 | 1,2Т | 40 | 72 | 40 | 16 | 35 | 16 | 79 |
ТП-ЕН-М22 | 1,5 т | 45 | 81 | 45 | 18 | 40 | 18 | 128 |
ТП-ЕН-М24 | 1,8 Т | 50 | 90 | 50 | 20 | 45 | 20 | 159 |
ТП-ЕН-М27 | 2,5 т | 50 | 90 | 50 | 20 | 45 | 20 | 154 |
ТП-ЕН-М30 | 3,6 т | 65 | 108 | 60 | 25 | 55 | 24 | 291 |
ТП-ЕН-М33 | 4,3Т | 65 | 108 | 60 | 25 | 55 | 24 | 287 |
ТП-ЕН-М36 | 5,1Т | 75 | 126 | 70 | 30 | 65 | 28 | 459 |
ТП-ЕН-М39 | 6,1Т | 75 | 126 | 70 | 30 | 65 | 28 | 446 |
ТП-ЕН-М42 | 7Т | 85 | 144 | 80 | 35 | 75 | 32 | 686 |
ТП-ЕН-М45 | 8Т | 85 | 144 | 80 | 35 | 75 | 32 | 671 |
ТП-ЕН-М48 | 8,6Т | 100 | 166 | 90 | 40 | 85 | 38 | 1108 |
ТП-ЕН-М52 | 9,9Т | 100 | 166 | 90 | 40 | 85 | 38 | 1092 |
ТП-ЕН-М56 | 11,5Т | 110 | 184 | 100 | 45 | 95 | 42 | 1476 |
ТП-ЕН-М64 | 16Т | 120 | 206 | 110 | 50 | 105 | 48 | 2052 |
Производство
Наши преимущества
1. Острая проницательность
Более 10 лет опыта в экспорте и знакомство с подъемным рынком.
2. Гарантированное качество
Строгое регулирование контроля качества и команда контроля качества для обеспечения качества.
3. Быстрый ответ
Мы ответим на ваши вопросы немедленно в течение 24 часов опытными сотрудниками.
4. Стабильные поставки
Завод площадью более 3000 кв.м обеспечивает своевременную доставку.
5. Конкурентная цена
Мы обеспечиваем лучшую цену среди продукции одинакового качества.
6. Oуниверсальное решение
Эффективное общение. Просто скажите, что вам нужно, и мы найдем универсальное решение для вашего бизнеса, которое сэкономит ваше время и усилия.
7. OEM-сервис.
8. Поддержка настройки
Доступен в стандартной спецификации, также могут быть изготовлены специальные спецификации и маркировки в соответствии с требованиями клиентов.
9. Многочисленные патенты на такелажное оборудование.
TP-подъемная рым-гайка DIN582
0,16 тонн - 16 тонн
Базовая информация.
Модель №. | ТП-EN | Функция | Лифтинг,Слинг,Подъемник | |
Tтранспортный пакет | Коробка с поддоном | Спецификация | 0,14-16Т | |
Товарный знак | ТОПЛИФТ или OEM | Источник | Китай | |
Код ТН ВЭД | 73269090 |
Спецификация
Модель | ВЛЛ | Измерение (мм) | Масса (фунты/100 шт.) | |||||
d1 | d2 | д3 | e | h | k | |||
ТП-ЕН-М6 | 0,14Т | 20 | 36 | 20 | 8.5 | 18 | 8 | 11 |
ТП-ЕН-М8 | 0,14Т | 20 | 36 | 20 | 8.5 | 18 | 8 | 11 |
ТП-ЕН-М10 | 0,23Т | 25 | 45 | 25 | 10 | 22 | 10 | 20 |
ТП-ЕН-М12 | 0,34Т | 30 | 54 | 30 | 11 | 26 | 12 | 35 |
ТП-ЕН-М16 | 0,7Т | 35 | 63 | 35 | 13 | 30 | 14 | 53 |
ТП-ЕН-М20 | 1,2Т | 40 | 72 | 40 | 16 | 35 | 16 | 79 |
ТП-ЕН-М22 | 1,5 т | 45 | 81 | 45 | 18 | 40 | 18 | 128 |
ТП-ЕН-М24 | 1,8 Т | 50 | 90 | 50 | 20 | 45 | 20 | 159 |
ТП-ЕН-М27 | 2,5 т | 50 | 90 | 50 | 20 | 45 | 20 | 154 |
ТП-ЕН-М30 | 3,6 т | 65 | 108 | 60 | 25 | 55 | 24 | 291 |
ТП-ЕН-М33 | 4,3Т | 65 | 108 | 60 | 25 | 55 | 24 | 287 |
ТП-ЕН-М36 | 5,1Т | 75 | 126 | 70 | 30 | 65 | 28 | 459 |
ТП-ЕН-М39 | 6,1Т | 75 | 126 | 70 | 30 | 65 | 28 | 446 |
ТП-ЕН-М42 | 7Т | 85 | 144 | 80 | 35 | 75 | 32 | 686 |
ТП-ЕН-М45 | 8Т | 85 | 144 | 80 | 35 | 75 | 32 | 671 |
ТП-ЕН-М48 | 8,6Т | 100 | 166 | 90 | 40 | 85 | 38 | 1108 |
ТП-ЕН-М52 | 9,9Т | 100 | 166 | 90 | 40 | 85 | 38 | 1092 |
ТП-ЕН-М56 | 11,5Т | 110 | 184 | 100 | 45 | 95 | 42 | 1476 |
ТП-ЕН-М64 | 16Т | 120 | 206 | 110 | 50 | 105 | 48 | 2052 |
Производство
Наши преимущества
1. Острая проницательность
Более 10 лет опыта в экспорте и знакомство с подъемным рынком.
2. Гарантированное качество
Строгое регулирование контроля качества и команда контроля качества для обеспечения качества.
3. Быстрый ответ
Мы ответим на ваши вопросы немедленно в течение 24 часов опытными сотрудниками.
4. Стабильные поставки
Завод площадью более 3000 кв.м обеспечивает своевременную доставку.
5. Конкурентная цена
Мы обеспечиваем лучшую цену среди продукции одинакового качества.
6. Oуниверсальное решение
Эффективное общение. Просто скажите, что вам нужно, и мы найдем универсальное решение для вашего бизнеса, которое сэкономит ваше время и усилия.
7. OEM-сервис.
8. Поддержка настройки
Доступен в стандартной спецификации, также могут быть изготовлены специальные спецификации и маркировки в соответствии с требованиями клиентов.
9. Многочисленные патенты на такелажное оборудование.