Tp-Lifting Такелажное оборудование Подъемные принадлежности Рым-болт DIN 580
WLL: 0,14–16 тонн
Базовая информация.
Модель №. | ТП-ЕВ | Функция | Подъем, строп, подъемник | |
Транспортный пакет | Коробка с поддоном | Спецификация | 0,14-16Т | |
Траемарк | ТОПЛИФТ или OEM | Источник | Китай | |
Код ТН ВЭД | 73269090 |
Функции
uДоступен в различных формах и заболеваниях.
uИмеет петлю и нить на одном конце.
uПолучил широкое признание за устойчивость к коррозии и длительную функциональность.
uДоступны как в стандартных, так и в индивидуальных размерах по желанию наших клиентов.
uУпаковано из качественного материала, чтобы избежать повреждений.
uВашингтонЗВОНОК: Никогда не использовать для подъема груза над головой.
Fили подъем над головой, пожалуйста, выберите подъемы G80.
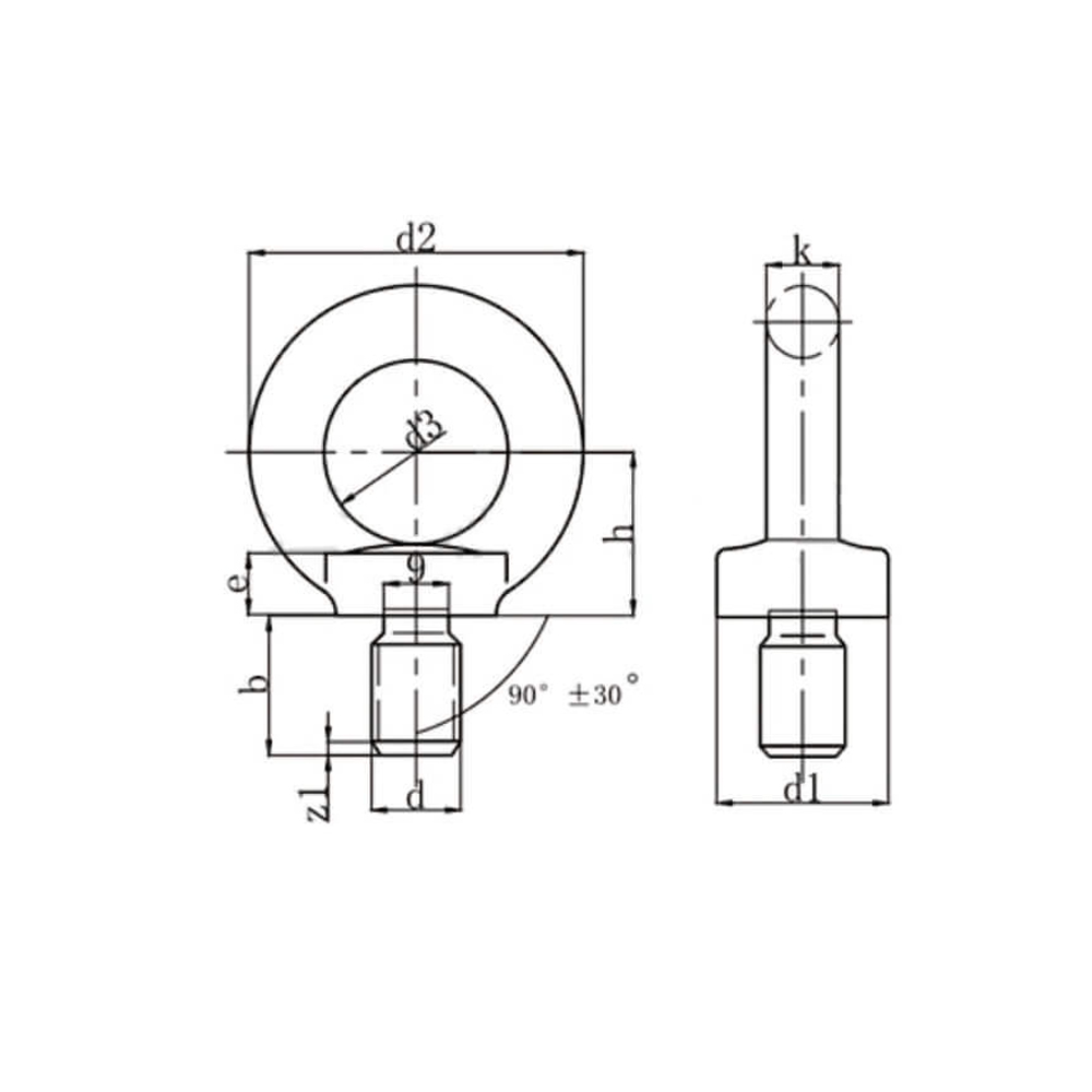
Спецификация
Модель | ВЛЛ | Измерение (мм) | Масса (кг/шт) | ||||||
d1 | d2 | д3 | b | e | h | k | |||
ТП-ЭБ-М6 | 0,14Т | 17 | 28 | 16 | 13 | 6 | 17 | 6 | 11 |
ТП-ЭБ-М8 | 0,14Т | 20 | 36 | 20 | 15 | 6 | 18 | 8 | 13 |
ТП-ЕВ-М10 | 0,23Т | 25 | 45 | 25 | 18 | 8 | 22 | 10 | 24 |
ТП-ЕВ-М12 | 0,34Т | 30 | 54 | 30 | 22 | 10 | 26 | 12 | 40 |
ТП-ЭБ-М14 | 0,49Т | 35 | 63 | 35 | 28 | 12 | 30 | 14 | 63 |
ТП-ЭБ-М16 | 0,7Т | 35 | 63 | 35 | 28 | 12 | 30 | 14 | 62 |
ТП-ЕВ-М20 | 1,2Т | 40 | 72 | 40 | 30 | 12 | 35 | 16 | 99 |
ТП-ЕВ-М22 | 1,5 т | 45 | 81 | 45 | 35 | 14 | 40 | 18 | 148 |
ТП-ЕВ-М24 | 1,8 Т | 50 | 90 | 50 | 38 | 16 | 45 | 20 | 192 |
ТП-ЕВ-М27 | 2,5 т | 50 | 90 | 50 | 38 | 18 | 45 | 20 | 194 |
ТП-ЕВ-М30 | 3,6 т | 65 | 108 | 60 | 45 | 18 | 55 | 24 | 366 |
ТП-ЭБ-М33 | 4,3Т | 65 | 108 | 60 | 45 | 22 | 55 | 24 | 380 |
ТП-ЭБ-М36 | 5,1Т | 75 | 126 | 70 | 55 | 22 | 65 | 28 | 585 |
ТП-ЕВ-М39 | 6,1Т | 75 | 126 | 70 | 55 | 26 | 65 | 28 | 618 |
ТП-ЕВ-М42 | 7Т | 85 | 144 | 80 | 65 | 30 | 75 | 32 | 889 |
ТП-ЕВ-М45 | 8Т | 85 | 144 | 80 | 65 | 30 | 75 | 32 | 938 |
ТП-ЕВ-М48 | 8,6Т | 100 | 166 | 90 | 70 | 35 | 85 | 38 | 1408 |
ТП-ЕВ-М52 | 9,9Т | 100 | 166 | 90 | 70 | 35 | 85 | 38 | 1456 |
ТП-ЕВ-М56 | 11,5Т | 110 | 184 | 100 | 80 | 38 | 95 | 42 | 1942 |
ТП-ЕВ-М64 | 16Т | 120 | 206 | 110 | 90 | 42 | 100 | 48 | 2736 |
информация о продукте
ПРИЛОЖЕНИЕ
Рым-болт DIN 580может быть использован:
lРабота на электричестве lМеталлургическое производство lНефтехимическая промышленность lМеханическое управление lЖелезнодорожное строительство lДругие подъемные отрасли
Производство
Упаковка
Наши преимущества
1. Острая проницательность
Более 10 лет опыта в экспорте и знакомство с рынком подъема.
2. Гарантированное качество
Строгое регулирование контроля качества и команда контроля качества для обеспечения качества.
3. Быстрый ответ
Мы ответим на ваши вопросы немедленно в течение 24 часов опытными сотрудниками.
4. Стабильные поставки
Завод площадью более 3000 кв.м обеспечивает своевременную доставку.
5. Конкурентная цена
Мы обеспечиваем лучшую цену среди продукции одинакового качества.
6. Универсальное решение
Эффективное общение. Просто скажите, что вам нужно, и мы найдем универсальное решение для вашего бизнеса, которое сэкономит ваше время и усилия.
7. OEM-сервис.
8. Поддержка настройки
Доступен в стандартной спецификации, также могут быть изготовлены специальные спецификации и маркировки в соответствии с требованиями клиентов.
9. Многочисленные патенты на такелажное оборудование.
Tp-Lifting Такелажное оборудование Подъемные принадлежности Рым-болт DIN 580
WLL: 0,14–16 тонн
Базовая информация.
Модель №. | ТП-ЕВ | Функция | Подъем, строп, подъемник | |
Транспортный пакет | Коробка с поддоном | Спецификация | 0,14-16Т | |
Траемарк | ТОПЛИФТ или OEM | Источник | Китай | |
Код ТН ВЭД | 73269090 |
Функции
uДоступен в различных формах и заболеваниях.
uИмеет петлю и нить на одном конце.
uПолучил широкое признание за устойчивость к коррозии и длительную функциональность.
uДоступны как в стандартных, так и в индивидуальных размерах по желанию наших клиентов.
uУпаковано из качественного материала, чтобы избежать повреждений.
uВашингтонЗВОНОК: Никогда не использовать для подъема груза над головой.
Fили подъем над головой, пожалуйста, выберите подъемы G80.
Спецификация
Модель | ВЛЛ | Измерение (мм) | Масса (кг/шт) | ||||||
d1 | d2 | д3 | b | e | h | k | |||
ТП-ЭБ-М6 | 0,14Т | 17 | 28 | 16 | 13 | 6 | 17 | 6 | 11 |
ТП-ЭБ-М8 | 0,14Т | 20 | 36 | 20 | 15 | 6 | 18 | 8 | 13 |
ТП-ЕВ-М10 | 0,23Т | 25 | 45 | 25 | 18 | 8 | 22 | 10 | 24 |
ТП-ЕВ-М12 | 0,34Т | 30 | 54 | 30 | 22 | 10 | 26 | 12 | 40 |
ТП-ЭБ-М14 | 0,49Т | 35 | 63 | 35 | 28 | 12 | 30 | 14 | 63 |
ТП-ЭБ-М16 | 0,7Т | 35 | 63 | 35 | 28 | 12 | 30 | 14 | 62 |
ТП-ЕВ-М20 | 1,2Т | 40 | 72 | 40 | 30 | 12 | 35 | 16 | 99 |
ТП-ЕВ-М22 | 1,5 т | 45 | 81 | 45 | 35 | 14 | 40 | 18 | 148 |
ТП-ЕВ-М24 | 1,8 Т | 50 | 90 | 50 | 38 | 16 | 45 | 20 | 192 |
ТП-ЕВ-М27 | 2,5 т | 50 | 90 | 50 | 38 | 18 | 45 | 20 | 194 |
ТП-ЕВ-М30 | 3,6 т | 65 | 108 | 60 | 45 | 18 | 55 | 24 | 366 |
ТП-ЭБ-М33 | 4,3Т | 65 | 108 | 60 | 45 | 22 | 55 | 24 | 380 |
ТП-ЭБ-М36 | 5,1Т | 75 | 126 | 70 | 55 | 22 | 65 | 28 | 585 |
ТП-ЕВ-М39 | 6,1Т | 75 | 126 | 70 | 55 | 26 | 65 | 28 | 618 |
ТП-ЕВ-М42 | 7Т | 85 | 144 | 80 | 65 | 30 | 75 | 32 | 889 |
ТП-ЕВ-М45 | 8Т | 85 | 144 | 80 | 65 | 30 | 75 | 32 | 938 |
ТП-ЕВ-М48 | 8,6Т | 100 | 166 | 90 | 70 | 35 | 85 | 38 | 1408 |
ТП-ЕВ-М52 | 9,9Т | 100 | 166 | 90 | 70 | 35 | 85 | 38 | 1456 |
ТП-ЕВ-М56 | 11,5Т | 110 | 184 | 100 | 80 | 38 | 95 | 42 | 1942 |
ТП-ЕВ-М64 | 16Т | 120 | 206 | 110 | 90 | 42 | 100 | 48 | 2736 |
информация о продукте
ПРИЛОЖЕНИЕ
Рым-болт DIN 580может быть использован:
lРабота на электричестве lМеталлургическое производство lНефтехимическая промышленность lМеханическое управление lЖелезнодорожное строительство lДругие подъемные отрасли
Производство
Упаковка
Наши преимущества
1. Острая проницательность
Более 10 лет опыта в экспорте и знакомство с рынком подъема.
2. Гарантированное качество
Строгое регулирование контроля качества и команда контроля качества для обеспечения качества.
3. Быстрый ответ
Мы ответим на ваши вопросы немедленно в течение 24 часов опытными сотрудниками.
4. Стабильные поставки
Завод площадью более 3000 кв.м обеспечивает своевременную доставку.
5. Конкурентная цена
Мы обеспечиваем лучшую цену среди продукции одинакового качества.
6. Универсальное решение
Эффективное общение. Просто скажите, что вам нужно, и мы найдем универсальное решение для вашего бизнеса, которое сэкономит ваше время и усилия.
7. OEM-сервис.
8. Поддержка настройки
Доступен в стандартной спецификации, также могут быть изготовлены специальные спецификации и маркировки в соответствии с требованиями клиентов.
9. Многочисленные патенты на такелажное оборудование.